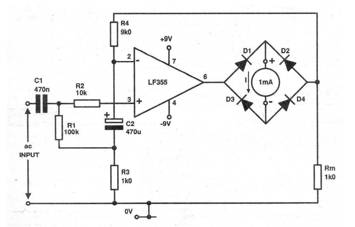
Este circuito fue obtenido en una publicación inglesa de 1993, pero puede ser montado con cierta facilidad, bastando obtener el circuito integrado. Con él podemos usar un miliamperímetro de 0-1 mA en un voltímetro de alta resistencia de entrada. Los diodos son de uso general y la fuente de alimentación debe ser simétrica. Los resistores deben ser de precisión.




