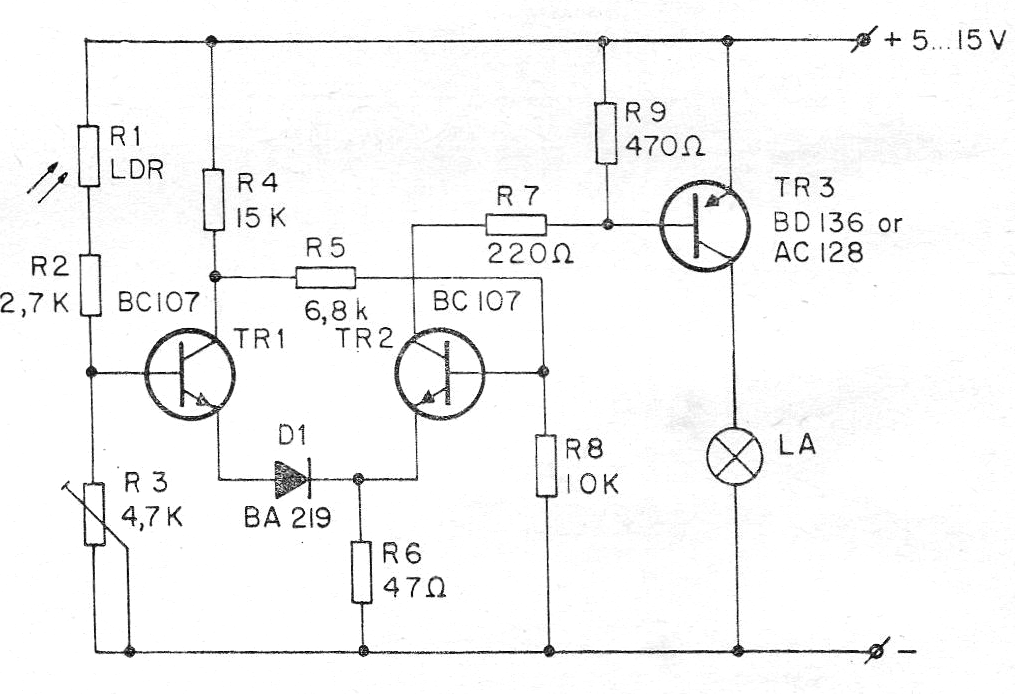
Este circuito fue obtenido en una revista de 1972, pero es todavía actual, pues todos los componentes usados son comunes. Este circuito acciona una lámpara incandescente de emergencia cuando se oscurece o cuando deja de incidir la luz sobre el LDR. La alimentación de 5 a 15 V depende sólo de la lámpara utilizada cuya corriente máxima es de 500 mA. Los transistores BC107 pueden ser reemplazados por los BC547, sus equivalentes actuales.




