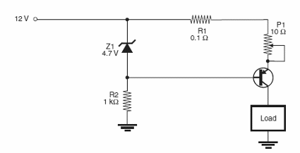
Este circuito aplica una corriente constante a una carga, que puede ser un motor, cuyo valor depende del ajuste de P1. Para un transistor BD136 la corriente máxima es 500 mA, pero para el TIP32 llega a 2 A. El transistor debe estar dotado de radiador de calor y el potenciómetro debe ser de hilo. El circuito es del libro Robotics, Mechatronics and Artificial Intelligence de Newton C. Braga, publicado en los Estados Unidos. Se pueden utilizar Zeners de valores cercanos a los indicados.




