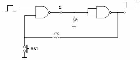
Un pulso en la entrada lleva la salida de este circuito al nivel bajo por un tiempo de 0,7RC. Para restablecer el circuito, basta con presionar RST por un instante. Las puertas NAND pueden ser las del 4001 y el circuito puede ser alimentado por una tensión de 3 a 15 V. Este circuito es de mi libro CMOS Sourcebook publicado en los Estados Unidos.




