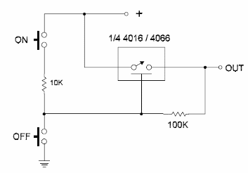
El circuito mostrado funciona como una llave biestable o flip-flop manual que puede ser alimentado por tensiones de 5 a 15 V. La base es una de las llaves CMOS del circuito integrado 4016 o 4066. El 4066 presenta una resistencia menor de conducción. El circuito fue obtenido en el libro de Newton C. Braga, CMOS Sourcebook, publicado en los Estados Unidos.




