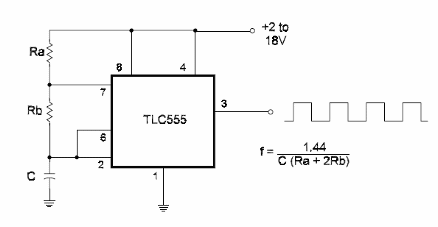
El circuito integrado TLC555 consiste en la versión CMOS del conocido astable 555. Podemos usarlo de la misma forma, como muestra la figura. La fórmula para calcular la frecuencia se da junto al diagrama. La frecuencia máxima es de 2 MHz. El consumo es bajo. El circuito es del libro CMOS Sourcebook de Newton C. Braga.




