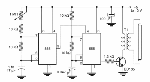
Este circuito, retirado del libro Robotics, Mechatronics and Artificial Intelligence de Newton C. Braga, publicado en los Estados Unidos, hace que una pequeña lámpara fluorescente parpadee en una frecuencia ajustada en el potenciómetro. Se pueden utilizar lámparas de 4 a 15 W y la alimentación puede realizarse con tensiones de 5 a 12 V. El transformador tiene un enrollamiento de 6 a 12 V con corriente de 250 a 500 mA conectado al transistor y un primario de 110 V o de 110 V o 220 V conectado a la lámpara fluorescente.




