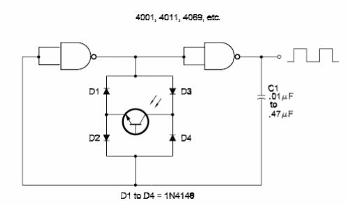
La frecuencia de este oscilador depende del capacitor y de la intensidad de la luz que incide en el foto-transistor. El foto-transistor puede ser de cualquier tipo y los diodos son de uso general. Dos de las puertas de los circuitos integrados se utilizan y la alimentación puede oscilar entre 5 y 15 V. La señal de salida es rectangular. El circuito es del libro CMOS Sourcebook de Newton C. Braga, publicado en los Estados Unidos.




