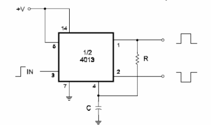
Un pulso positivo de entrada conmuta las salidas de este circuito que permanecen en el estado indicado por un tiempo que depende de R y de C. El tiempo es aproximadamente 0,7 RC. El circuito es CMOS pudiendo ser alimentado por tensiones de 5 a 15 V. El circuito es del libro CMOS Sourcebook de Newton C. Braga publicado en los Estados Unidos.




