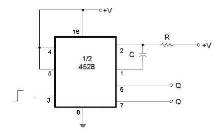
Una transición positiva en la entrada de este circuito cambia de estado las salidas por un tiempo dado por la constante RC. El circuito es CMOS pudiendo ser alimentado por tensiones de 5 a 15 V. Este circuito es del libro CMOS Sourcebook de Newton C. Braga, publicado en los Estados Unidos.




