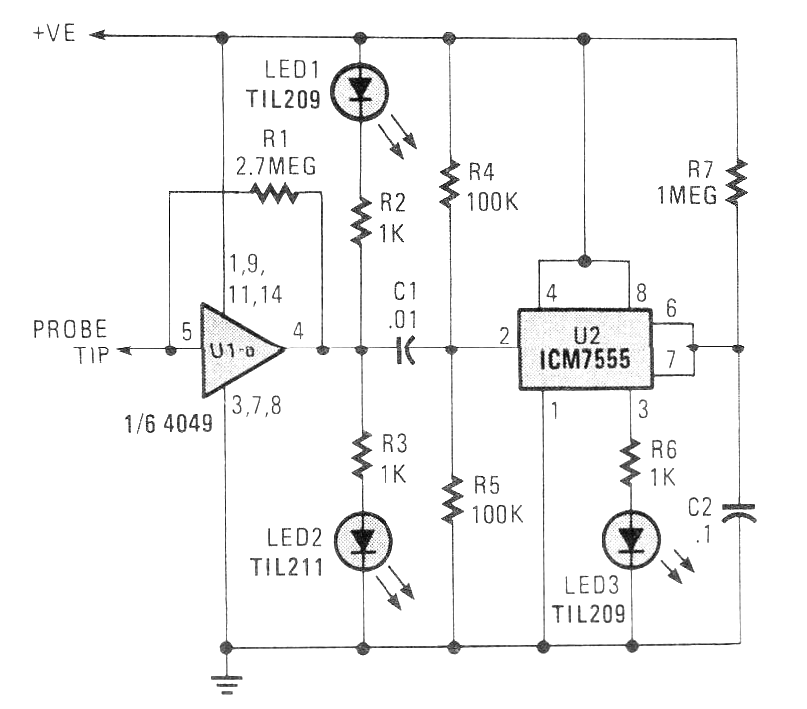
Este circuito fue encontrado en un popular Electronics de junio de 1992. Todavía se puede montar con facilidad, ya que todos los componentes utilizados son comunes. El ICM7555 es la versión CMOS del 555, pero se puede utilizar un 555 común, con un poco más de consumo. El circuito utiliza la alimentación del circuito en prueba y puede operar con 5 V TTL o tensiones de 5 a 15 V de lógica CMOS.




