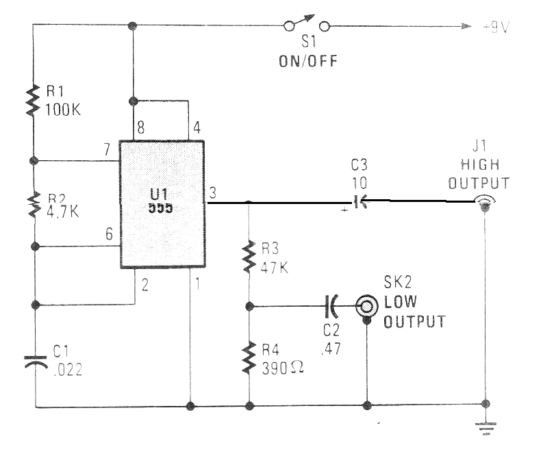
Este circuito está en una edición de julio de 1992 de la revista americana Popular Electronics, pero puede ser montado con facilidad en nuestros días pues utiliza componentes comunes. Se genera una señal rectangular rica en armónicos cuya frecuencia fundamental es dada por R1, R2 y C1. Estos componentes se pueden cambiar en una amplia gama de valores. La alimentación se puede hacer con tensiones de 5 V a 9 V. El circuito tiene salidas de alta (high) y bajas (Low) impedancias.




