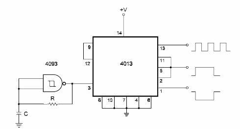
Este circuito genera señales de dos fases con la mitad de la frecuencia de la señal obtenida en el pin 13. Las señales tienen la mitad de la frecuencia de la señal generada por el 4093. La alimentación puede oscilar entre 5 y 15 V. Para más información sobre cómo calcular la frecuencia generada vea en la sección de matemáticas cómo funciona el oscilador 4093 y sus cálculos. El circuito es del libro CMOS Sourcebook de Newton C. Braga, publicado en los Estados Unidos.




