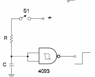
La salida de este circuito sólo va al nivel alto después de un cierto tiempo, después del cierre de S1. El tiempo es dado por la constante RC. El circuito puede ser alimentado por tensiones de 3 a 15 V. Una de las cuatro puertas NAND del 4093 se utiliza en esta aplicación. El circuito fue obtenido en el libro CMOS Sourcebook, de Newton C. Braga, publicado en los Estados Unidos.




