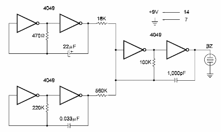
El circuito presentado produce el sonido de un grillo, reproducido en un pequeño transductor piezoeléctrico. El circuito es alimentado por una batería de 9 V, con un consumo muy bajo. Los resistores de los tres osciladores se pueden cambiar para obtener el mejor rendimiento, imitando al insecto. El circuito es del libro CMOS Sourcebook de Newton C. Braga, edición americana.




