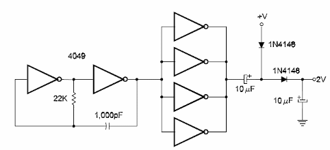
La tensión de salida de este circuito es aproximadamente el doble de la tensión utilizada en la alimentación. La capacidad de corriente es del orden de algunos cientos de microampères sólo, lo que posibilita el uso del circuito sólo en polarización o aplicaciones de muy bajo consumo. La tensión de entrada puede quedar entre 3 y 15 V. El circuito es del libro CMOS Sourcebook, de Newton C. Braga, publicados en los Estados Unidos.




