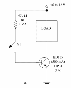
Con este simple circuito podemos usar un sensor de contacto o un sensor reed de baja corriente para controlar una carga de mayor corriente. La corriente máxima será de 500 mA con el BD1345 y 1 o incluso 2 A con el TIP31. El transistor debe estar dotado de radiador de calor. Si la carga es inductiva debe conectarse en paralelo a un diodo para proteger el transistor.




