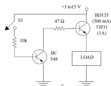
Con este circuito podemos controlar una carga de potencia usando un sensor o interruptor de baja corriente, por ejemplo, del tipo reed. El circuito sirve para cargas de 3 a 15 V con corrientes hasta más de 1 A. El transistor de potencia debe ser montado en radiador de calor. La corriente en el sensor es de pocos miliampères. El circuito es del libro Mechatronics Sourcebook de Newton C. Braga, publicado en los Estados Unidos.




