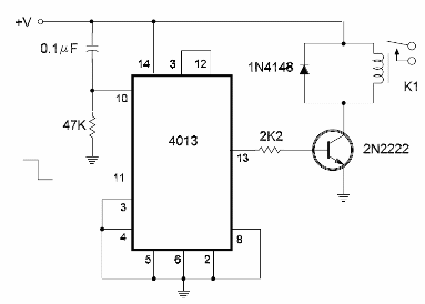
En la figura mostramos cómo implementar un biestable sin repiques usando el circuito integrado 4013. El transistor puede ser el BC548 y la alimentación depende del relé, pudiendo ser de 6 V o 12 V. El circuito es del libro CMOS Sourcebook de Newton C. Braga, publicado en los Estados Unidos.




