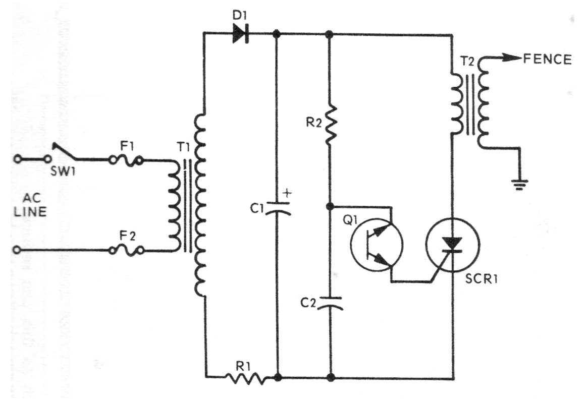
Este circuito es de un manual americano de 1974. Utiliza un diac (Q1) y el SCR puede ser el TIC106. El transformador tiene un secundario de 12 V con 500 mA y se conecta al ánodo del SCR mientras que el primario es de 220 V. T1 es un transformador de aislamiento y D1 un 1N4004. R1 es d 1 k x 2 W y R2 de 47 k. C2 que determina la frecuencia es de 470 nF y C1 un electrolítico de 8 uF x 200 V.




