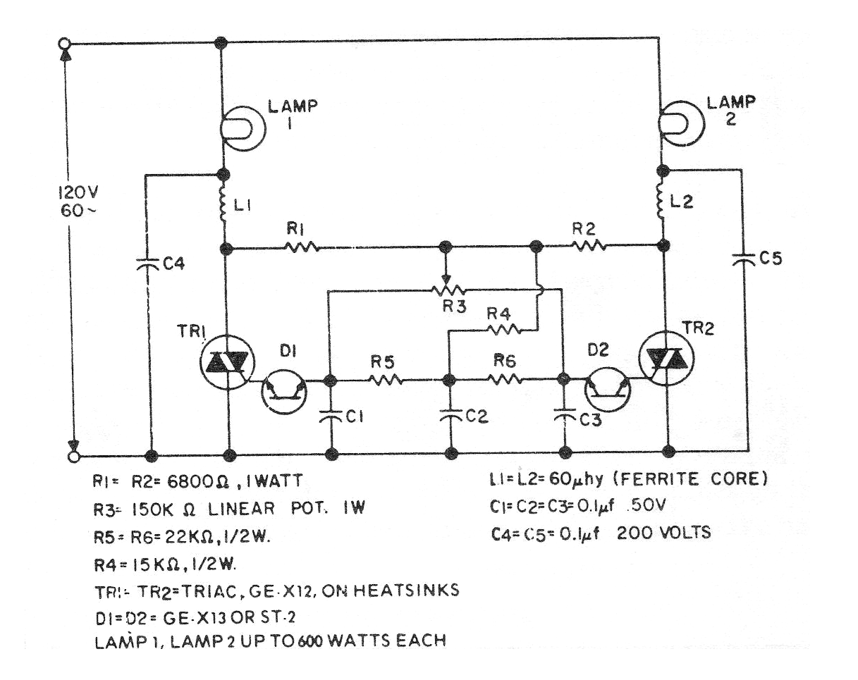
Con el circuito presentado, cuando el brillo de una lámpara disminuye el de la otra aumenta. Hay una transferencia de brillo, en un efecto especial. El circuito es de un manual de tiristores de 1974, pero puede ser montado con Triacs de la serie TIC y diacs comunes. Las lámparas deben ser obligatoriamente incandescentes con potencia máxima según el triac usado. Con cambios en componentes, el circuito funciona también en la red de 220 V.




