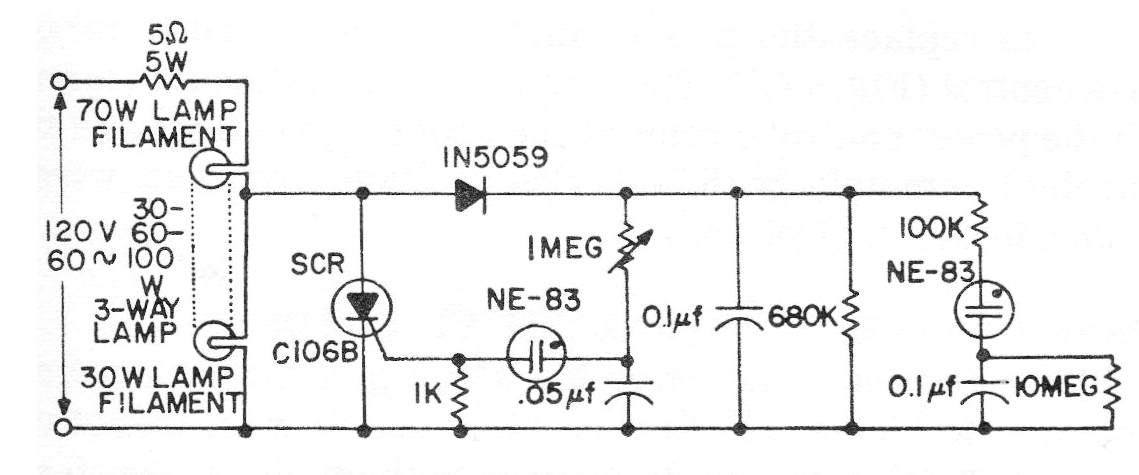
El circuito presentado es de un manual de tiristores americano de 1974, pero puede ser montado con SCRs de la serie 106, como el C106 o TIC106. El circuito hace que dos lámparas incandescentes ligadas en serie varíen su brillo rápidamente imitando una llama o incluso vela. Las lámparas se pueden colocar en una chimenea artificial. El diodo puede ser el 1N4004 y las lámparas deben tener las potencias indicadas o próximas, por ejemplo, 60 W y 25 W que son valores más comunes.




