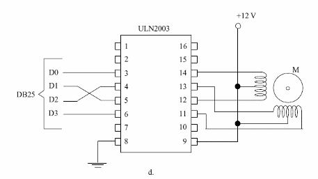
Con este circuito de shield es posible controlar un motor de paso con corrientes por fase hasta 500 mA desde el puerto paralelo de un PC. El circuito debe ser alimentado por fuente separada de 12 V, pero con campo común al ordenador usado en el control. Este diagrama es del libro Mechatronics Sourcebook de Newton C. Braga, publicado en los Estados Unidos.




