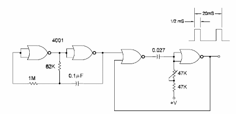
El circuito presentado genera pulsos a intervalos regulares con la duración controlada por un potenciómetro, posibilitando así la prueba de servomotores. El circuito es alimentado con la misma tensión del servo y para informaciones de la pinza del 4001 consulte el libro Curso de Electrónica Digital o en el datasheet disponible en la página principal. El circuito es del libro CMOS Sourcebook de Newton C. Braga, publicado en los Estados Unidos.




