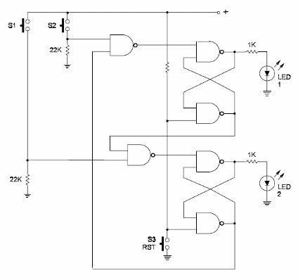
¿Quién es el más rápido? Este es el otro nombre de este interesante circuito que hace que se detecte quién apretó en primer lugar un interruptor, cuando una señal es dada. El circuito puede ser utilizado en competiciones y utiliza como base un circuito integrado CMOS 4011. La resistencia que está sin valor es de 22 kea alimentación puede ser hecha con tensiones de 5 a 12 V. El circuito es del libro CMOS Sourcebook de Newton C. Que se publicó en los Estados Unidos.




