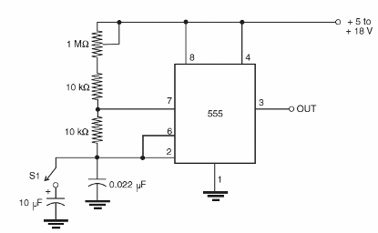
Este circuito genera pasos lineales lentos para el control de los motores de paso. El circuito tiene dos bandas de frecuencias, lento con S1 abierto y rápido con S1 cerrado. Las muñecas son rectangulares. La alimentación depende del circuito de control. El circuito es del libro Robotics, Mechatronics and Artificial Intelligence de Newton C. Braga, publicado en los Estados Unidos.




