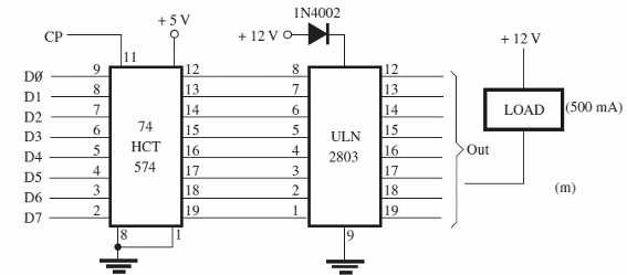
Con este circuito de shield es posible controlar varias cargas hasta 500 mA desde el puerto paralelo de un PC. Las cargas se activan con las salidas en el nivel bajo. Las fuentes deben ser separadas, pero deben tener todas un campo común con la PC. El circuito está en el libro Mechatronics Sourcebook de Newton C. Braga, publicado en los Estados Unidos.




