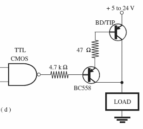
El circuito mostrado puede accionar cargas de 500 mA a 2 A, según el transistor con la salida TTL o CMOS en el nivel bajo. La alimentación depende de la lógica y el transistor de potencia debe estar dotado de radiador de calor. El circuito es del libro Mechatronics Sourcebook de Newton C. Braga, publicado en los Estados Unidos.




