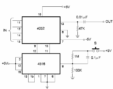
A cada toque del interruptor de presión S se selecciona un canal de entrada y su señal se aplica a la salida. El circuito es para señales de pequeña intensidad y la alimentación debe ser hecha con 5 V. Cables de entrada y salida de señales deben ser blindados. El circuito es del libro CMOS Sourcebook de Newton C. Braga, publicado en los Estados Unidos.




