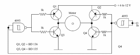
Los niveles alto y bajo en la entrada de este circuito determinan el sentido de rotación del motor. El circuito es para motores hasta 500 mA, pero se pueden utilizar los TIP31 y TIP32 para corrientes hasta 2 A. Los transistores deben ser montados en radiadores de calor. Este circuito es del libro Mechatronics Sourcebook de Newton C. Braga, publicado en los Estados Unidos .




