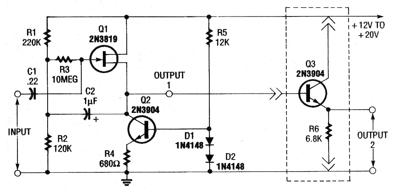
Este circuito fue obtenido en una revista estadounidense Electronics Now de abril de 1993. La revista ya no existe, pero el circuito funciona prácticamente con cualquier JFET, amplificando señales con buena ganancia. En él se muestra cómo obtener una configuración de seguidor de fuente con un JFET común y un transistor bipolar para polarización. Los transistores bipolares pueden ser los BC548.




