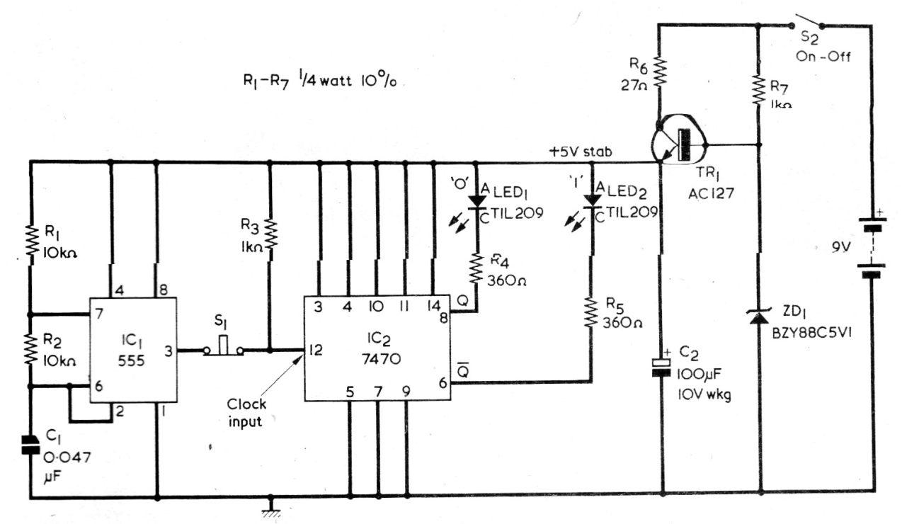
Este circuito fue encontrado en una Radio Electronics Constructor, revista inglesa de junio de 1976; La revista ya no se publica, pero el circuito se puede montar fácilmente con BC547 en lugar del tipo original NPN Como el circuito es TTL, se debe utilizar la fuente reductora mostrada junto con el circuito o bien puede ser eliminado, alimentándose el circuito directamente con 5 V.




