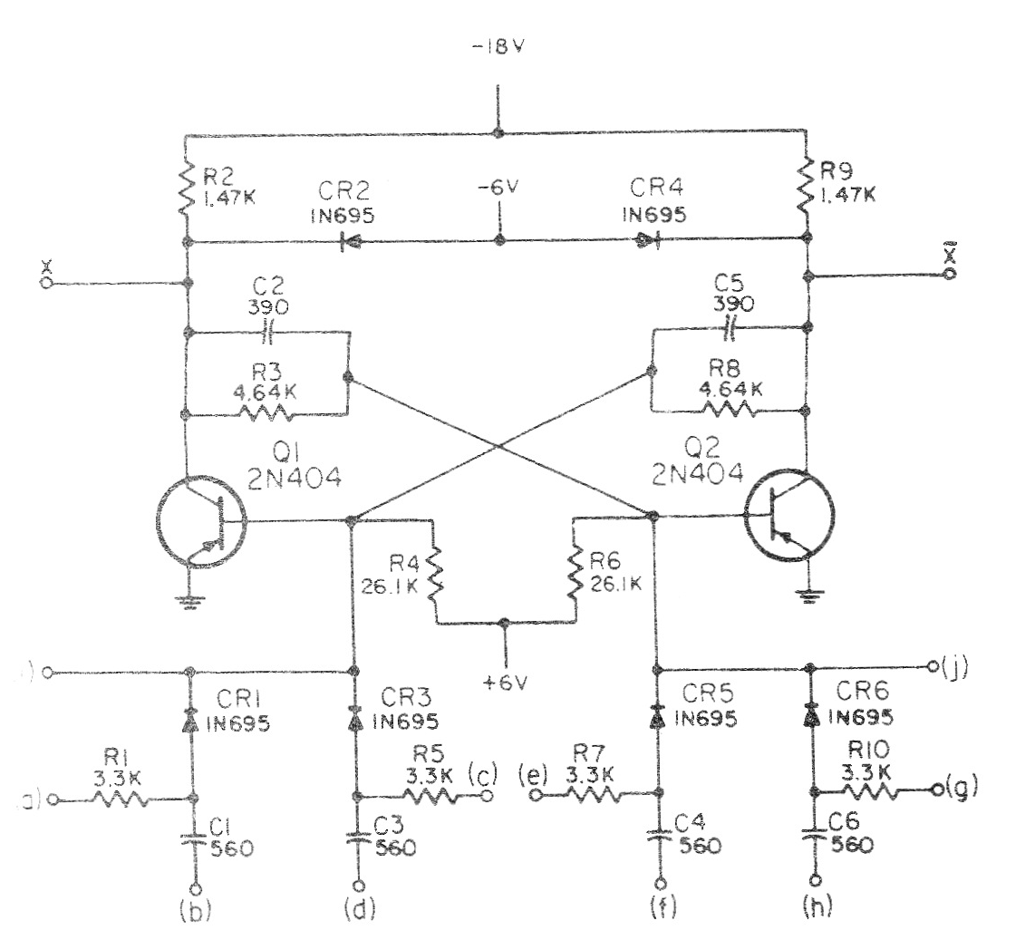
Este interesante circuito fue encontrado en una revista Argentina Radio Chassis Television de marzo de 1974. La revista ya no existe, pero el circuito todavía puede ser montado con transistores equivalentes como el 2N2222 o incluso BC548. Se pueden utilizar valores comerciales de componentes cercanos a los indicados.




