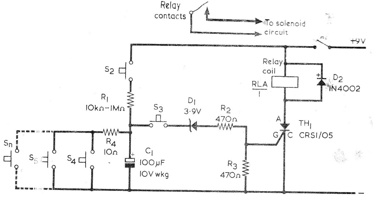
Este circuito fue obtenido en una Radio & Electronics Constructor de marzo de 1976. La revista ya no existe, pero el circuito puede ser montado con SCR del tipo 106. En este circuito la llave S2 carga el capacitor y si las otras llaves son accionadas él descarga. Sin embargo, si S3 se presiona después de S2, la descarga del capacitor hará que el SCR dispare. Por lo que observamos, el diodo D1 está invertido en el diagrama original de la revista.




