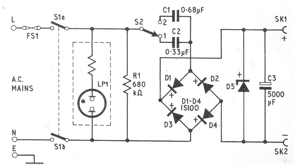
El circuito presentado fue obtenido en una revista inglesa de 1972, pero puede montarse con facilidad aún hoy. Los condensadores C1 y C2 deben ser de poliéster para 400 V o más, y los diodos del puente 1N1N4004 o equivalentes. El zener es de 9 V x 1 W. El circuito sirve para alimentar circuitos de 9 V hasta unos 50 mA o para cargar baterías de 9 V.




