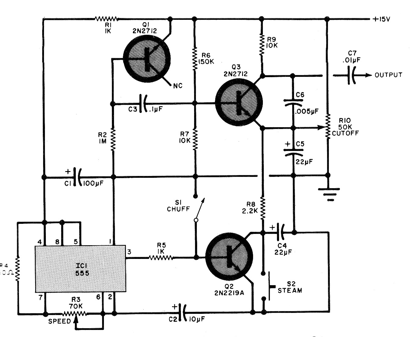
Este circuito fue encontrado en el Electronic Experimenters Handbook, edición de 1988. La revista ya no existe, pero el circuito que imita el sonido de una locomotora de vapor, ideal para modelistas, puede ser montado con facilidad. Los transistores pueden ser los BC548 y la salida debe conectarse a un pequeño amplificador.




