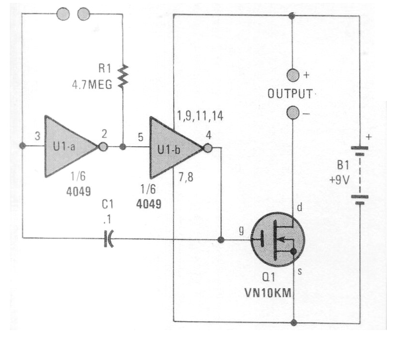
He encontrado este circuito en una Popular Electronics de 1992. El circuito puede ser fácilmente implementado con cualquier FET de potencia e incluso un bipolar Darlington, con una resistencia de 1k adicional en la base. La alimentación puede ser de 6 a 12 V, según la carga utilizada.




