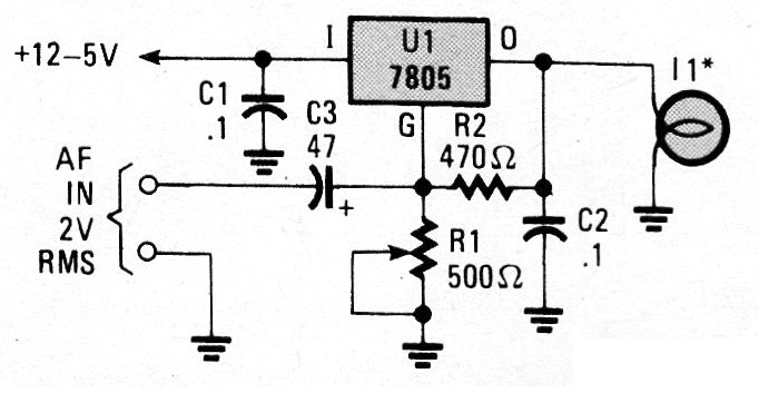
He encontrado este circuito en una Popular Electronics de 1992. El circuito muestra cómo podemos modular con una señal de audio una lámpara para obtener un enlace simple. La respuesta de la lámpara, sin embargo, es muy pobre de modo que el circuito sólo sirve para la comunicación de voz. El receptor es el CIR9586S. La lámpara debe tener una corriente máxima de 1 A.




