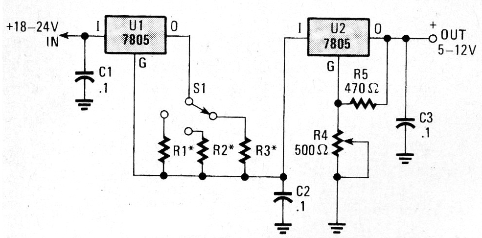
He encontrado este circuito en una Popular Electronics de 1992. El circuito muestra de qué modo podemos utilizar dos reguladores para obtener tensión estabilizada y corriente constante al mismo tiempo. R1, R2 y R3 determinan la tensión de salida, normalmente entre 0 y 470 ohms.




