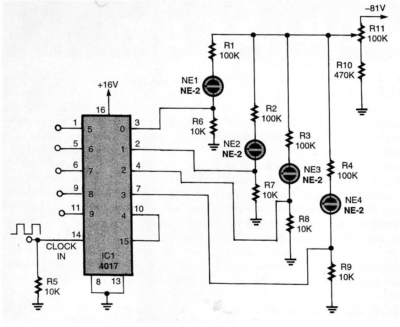
He encontrado este circuito en una Popular Electronics de noviembre de 1999. La revista ya no se imprime, pero el circuito se puede montar fácilmente. El consumo es extremadamente bajo. R4 ajusta el punto de disparo. El circuito es de 4 canales, pero se pueden utilizar las configuraciones normales para más salidas del 4017.




