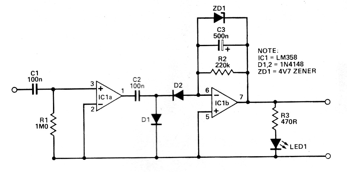
Este circuito es de una publicación de 1986. Se trata de una clave de toque con un comparador de tensión. La salida debe conectarse a una etapa de potencia para accionar un relé u otra carga. El circuito no necesita una fuente simétrica y la alimentación se realiza con una tensión de 9 V o según la carga. No utilice fuente sin transformador.




