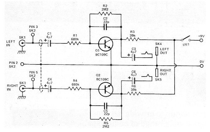
Este circuito fue encontrado en una revista inglesa de 1983, pero se puede montar con los BC548. El circuito sirve como paso para circuitos experimentales usando auriculares del tipo de cristal o piezoeléctrico. La alimentación se realiza con una batería de 9 V, pero el consumo es muy bajo, lo que garantiza una gran durabilidad para las fuentes de energía.




