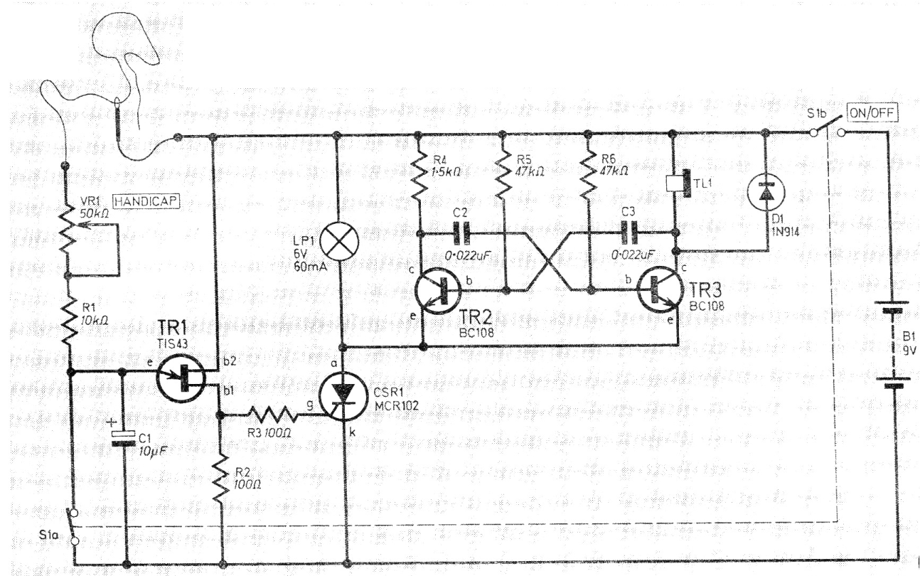
Este circuito fue obtenido en una revista de 1977. La revista ya no se imprime, pero el circuito puede montarse con facilidad, pues podemos usar transistores BC548 en lugar de los BC108, 2N2646 para el unijuntura y TIC 106 para el SCR; La lámpara puede ser de 6 o 12 V. Para 6 V podemos alimentar con 9 V el circuito, pues hay una caída de tensión en el SCR. El transductor es una cápsula magnética de 600 ohmios o más.




