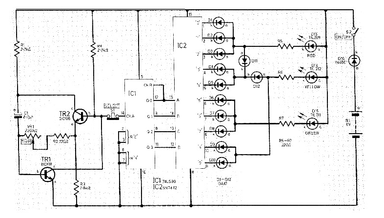
Este circuito salió en una revista inglesa de 1983, pero puede ser montado con facilidad aún hoy, pues los componentes usados son comunes. Podemos intercambiar los transistores originales por BC548 y los diodos tanto pueden ser los 1N4148 como 1N914. El circuito puede ser alimentado por tensiones de 9 a 12 V y los LEDs son de los tres colores de un semáforo.




