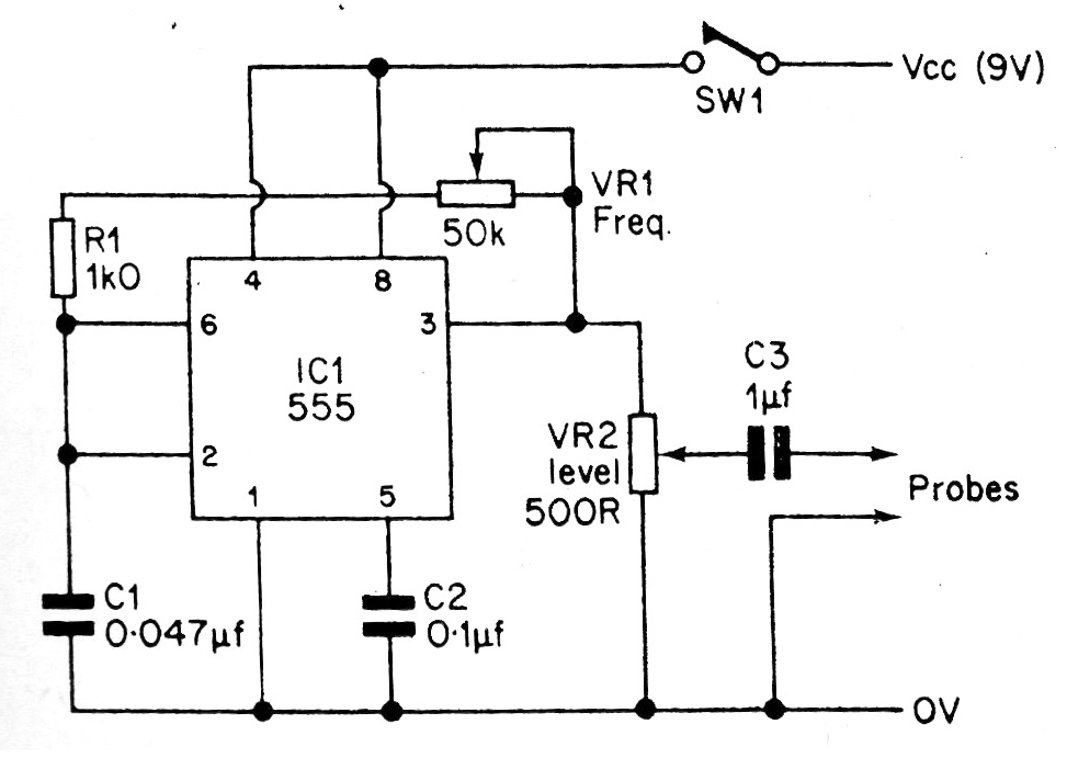
Este circuito fue publicado en una revista de 1979, pero puede ser montado con facilidad pues los componentes son comunes. La frecuencia entre 50 Hz y 1,5 kHz se ajusta en el potenciómetro VR1 y la intensidad de la señal en VR2. Los valores comerciales de 47k y 470 ohms se pueden utilizar en la práctica. La señal es rectangular y la alimentación se puede hacer con tensiones de 5 a 12 V.




