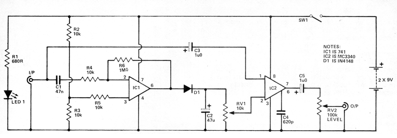
Este circuito fue encontrado en una revista de 1979, pero aún puede ser montado con facilidad, pues todos los componentes todavía son comunes. El consumo es bajo posibilitando la utilización de la batería como fuente, y los cables de señal deben ser blindados. El circuito mantiene constante el volumen de una señal de entrada como, por ejemplo, la señal de un micrófono.




