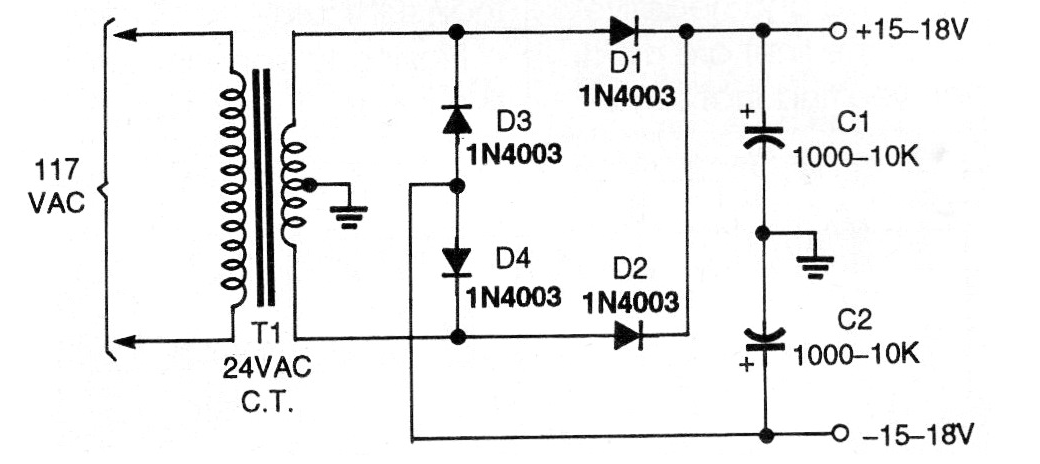
He encontrado este circuito en una Popular Electronics de noviembre de 1993. Permite utilizar un transformador de 12 V x 1 A en una fuente simétrica de 12 + 12 V. La corriente será dada por el transformador. Los diodos admite equivalentes como los 1N4004.




