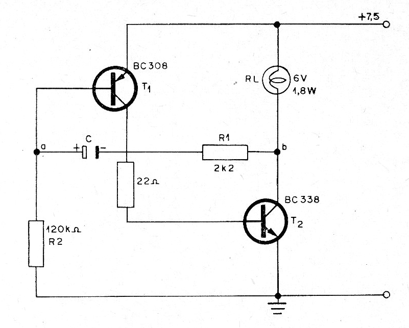
Este circuito es de una publicación de 1976, pero puede ser implementado aún hoy con los transistores BC548 y BC558. El circuito hace una pequeña lámpara incandescente parpadeando a una velocidad que depende del capacitor. Este capacitor puede tener valores entre 1 uF y 470 uF. La lámpara debe ser como máximo de 100 mA y la alimentación depende de la tensión de la lámpara.




