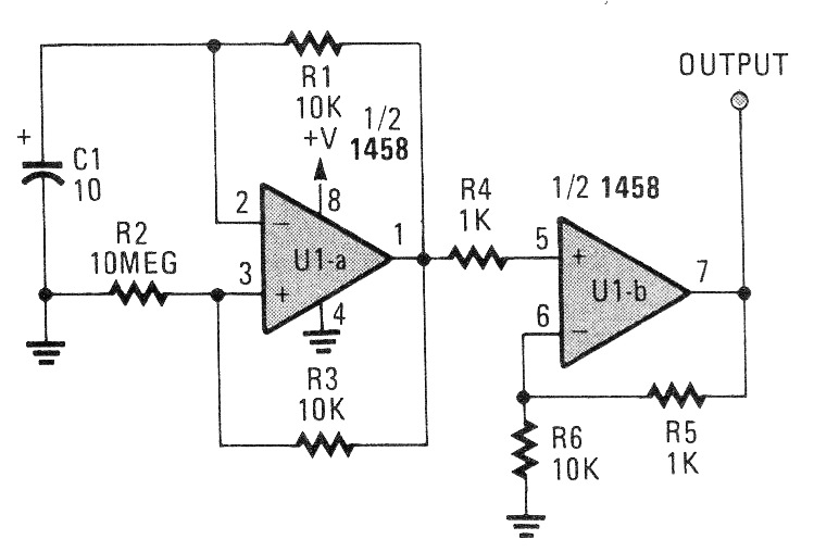
Este circuito es de una Popular Electronics de 1993. La revista ya no se imprime, pero el circuito puede ser implementado con otros operacionales ya que el MC1458 es un doble 741. La frecuencia de los pulsos depende de C1 y la fuente entre 6 y 12 V no necesita ser simétrica.




