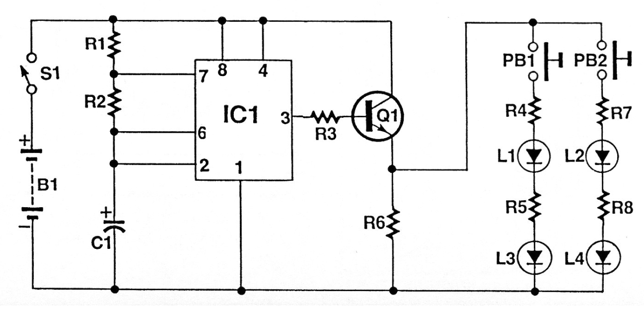
Este circuito salió en una publicación denominada Electronics Handbook de 1993. El circuito acciona un LEDs indicadores que parpadean como en un coche. Q1 puede ser un BC548 o 2N2222 y la alimentación puede ser efectuada por pilas o batería de 6 V. La frecuencia de los intermitentes puede ser cambiada modificando el valor de R1 y R2.





